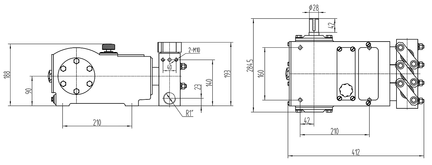
Plunger Pump
Stroke Length (mm) :20
Crankcase Oil Capacity (L):1.26
Pump Weight (KG): 51
Recommended SPM for Continuous Duty: ≤510
| Strokes per Minute | 75 | 150 | 225 | 300 | 375 | 450 | 525 | 600 | 675 | 750 | 825 | |
|---|---|---|---|---|---|---|---|---|---|---|---|---|
| Input Power (kw) | 0.3 | 0.6 | 0.9 | 1.2 | 1.5 | 1.8 | 2.1 | 2.4 | 2.7 | 2.9 | 3.2 | |
| Plunger Size(mm) | Rated Pressure(bar) | Rated Capacity(L/min) | ||||||||||
| 10 | 446 | 0.4 | 0.7 | 1.1 | 1.4 | 1.8 | 2.1 | 2.5 | 2.8 | 3.2 | 3.5 | 3.9 |
| 12 | 310 | 0.5 | 1.0 | 1.5 | 2.0 | 2.5 | 3.1 | 3.6 | 4.1 | 4.6 | 5.1 | 5.6 |
| 14 | 227 | 0.7 | 1.4 | 2.1 | 2.8 | 3.5 | 4.2 | 4.8 | 5.5 | 6.2 | 6.9 | 7.6 |
| 16 | 174 | 0.9 | 1.8 | 2.7 | 3.6 | 4.5 | 5.4 | 6.3 | 7.2 | 8.1 | 9.0 | 10.0 |
| 18 | 138 | 1.1 | 2.3 | 3.4 | 4.6 | 5.7 | 6.9 | 8.0 | 9.2 | 10.3 | 11.5 | 12.6 |
| 20 | 111 | 1.4 | 2.8 | 4.2 | 5.7 | 7.1 | 8.5 | 9.9 | 11.3 | 12.7 | 14.1 | 15.6 |
| 22 | 92 | 1.7 | 3.4 | 5.1 | 6.8 | 8.6 | 10.3 | 12.0 | 13.7 | 15.4 | 17.1 | 18.8 |
| 24 | 77 | 2.0 | 4.1 | 6.1 | 8.1 | 10.2 | 12.2 | 14.3 | 16.3 | 18.3 | 20.4 | 22.4 |
| 26 | 66 | 2.4 | 4.8 | 7.2 | 9.6 | 11.9 | 14.3 | 16.7 | 19.1 | 21.5 | 23.9 | 26.3 |
| 28 | 57 | 2.8 | 5.5 | 8.3 | 11.1 | 13.9 | 16.6 | 19.4 | 22.2 | 24.9 | 27.7 | 30.5 |
| 30 | 50 | 3.2 | 6.4 | 9.5 | 12.7 | 15.9 | 19.1 | 22.3 | 25.4 | 28.6 | 31.8 | 35.0 |
| 31 | 46 | 3.4 | 6.8 | 10.2 | 13.6 | 17.0 | 20.4 | 23.8 | 27.2 | 30.6 | 34.0 | 37.4 |
Company Profile
Work Specifications:Wuxi Petrel supplied BAOSTEEL with descaling pumps which are originally designed···
READ MOREWork Specifications:Wuxi Petrel supplied NETZSCH with industrial pumps which are originally designed···
READ MOREWork Specifications:Since 2009, Wuxi Petrel has been serving as an OEM for Weatherford's W-serie···
READ MOREAnother widely used industry for our 5ZW100 pump is Metal Powder Atomization. This 450KW high pressu···
READ MOREBesides of the outlet pressure readout and vibration from the fluid end, the other significant inspe···
READ MOREEvery pump we sell will go through a routine test run before delivery. The normal process is:1. No-l···
READ MORE